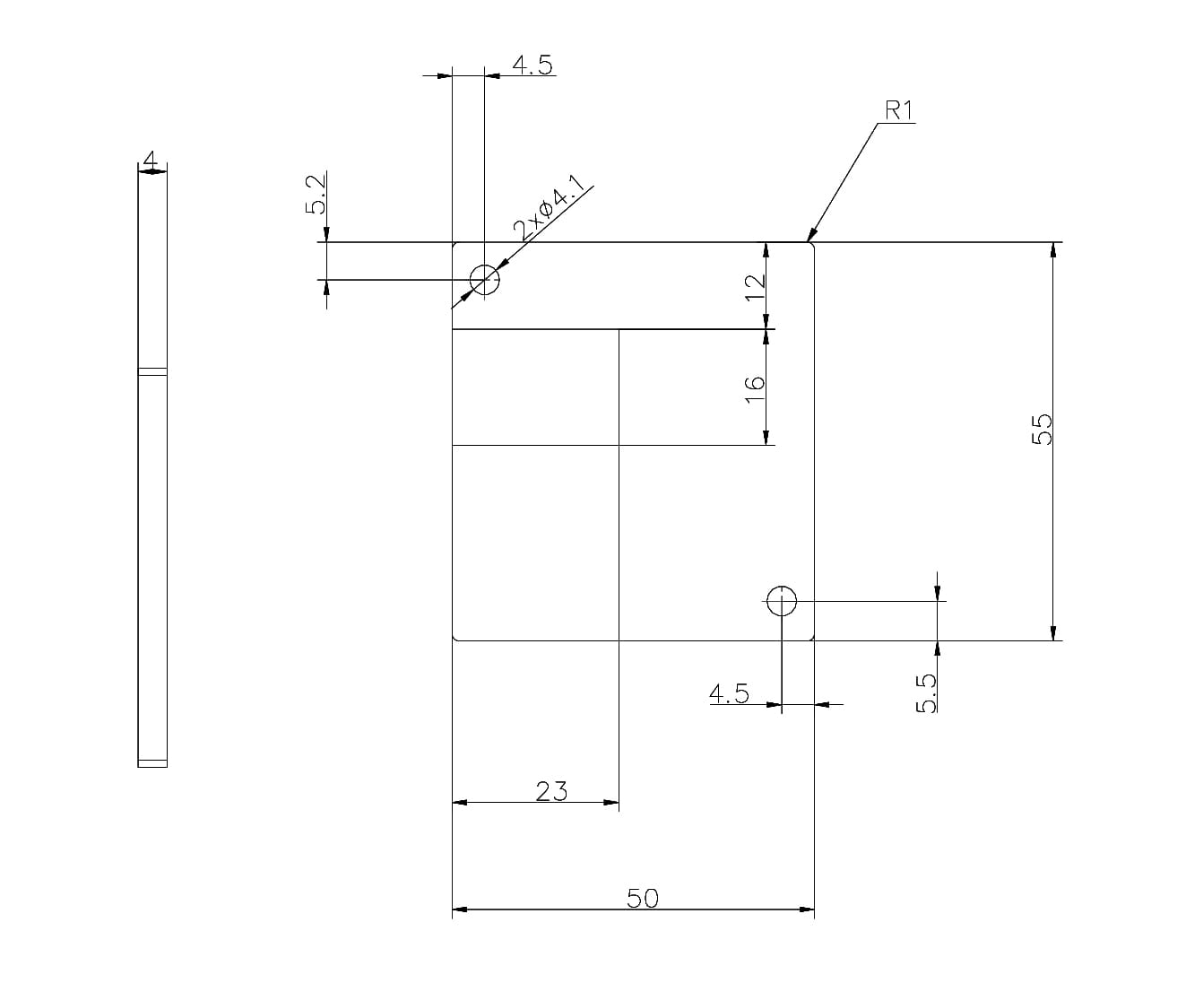
Tapa terminal IZQUIERDA EN Y de RANURA 55x50mm, AISI 304, EN BRUTO
Descripción del producto
Tapón de extremo para ranura de 55x50 mm fabricado en acero AISI 304, superficie en bruto (destinada al recubrimiento en polvo).
Para inicio de ranura izquierda / derecha.
Tapones para pegar.
________
Plazo de entrega para pasamanos en bruto: 1-3 días laborables.
Plazo de entrega para pasamanos pintado: 10-15 días laborables.
